NILFISK ADVANCE SC351 INSTRUCTIONS D'UTILISATION Télécharger le Pdf

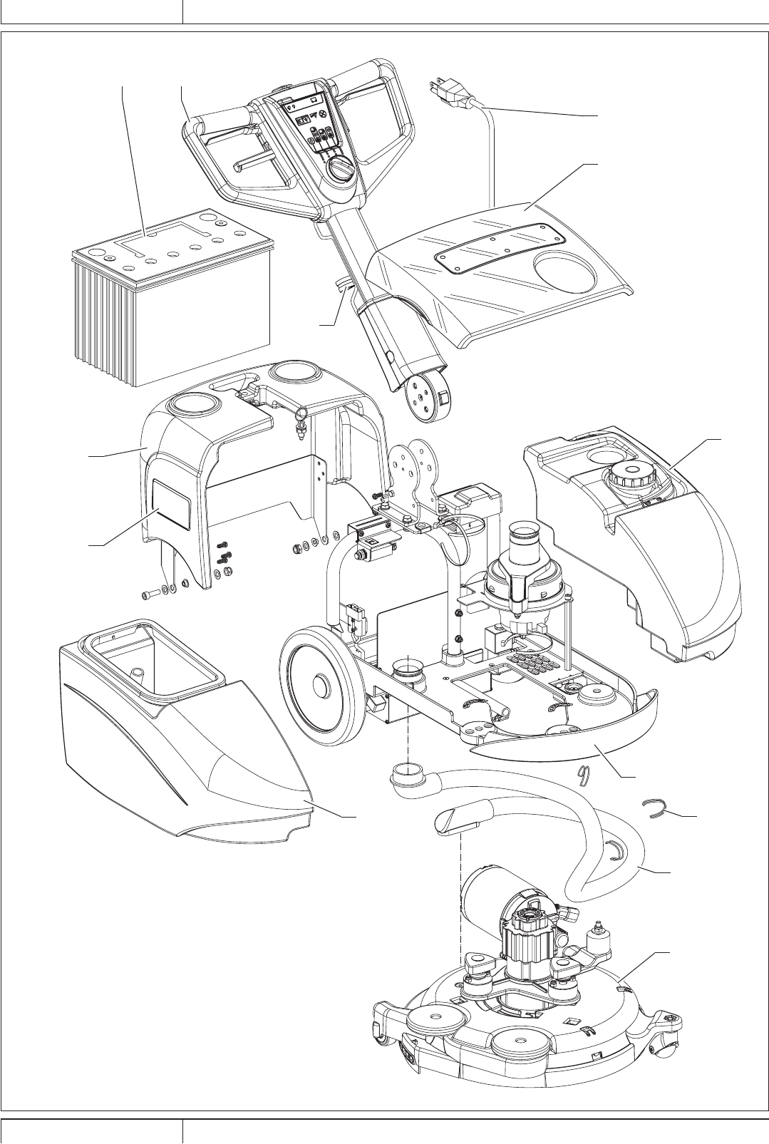
Advance Sc351 Parts Manual. Nilfisk C 38 Floor Scrubber Carpet Vidalondon 03/2013 9099868000 - sc351 3 general view kit item ref qty description 1 - 1 brush deck 2 - 1 solution tank 3 - 1 cover tank 4 - 1 frame 5 - 1 battery cover 6 - 1 recovery tank 7 - 1 handle 8 9100000080 1 decals advance sc351 kit 9 1464853000 1 battery 12v 84ahc5 agm 10 9099301000 1 hardware general view kit 11 9096914000 1 cable extension us

SC351 Parts Manual
SC351 Parts Manual from usermanual.wiki

Scrubber Nilfisk-Advance Advance SC351 Li-ion Instructions For Use Manual (88 pages) View and Download Nilfisk-Advance Sc351 user manual online

SC351 Parts Manual

SC351 INSTRUCTION FOR USE INSTRUCTIONS D'UTILISATION INSTRUCCIONES DE USO INSTRUÇÕES DE USO Advance model: 9087342020 ENGLISH FRANÇAIS Downloaded from www.Manualslib.com manuals search engine SC351™ Commercial SC351™ Industrial SC400™ SC450™ Adfinity™ Mid-Size Walk-Behind SC500™ Commercial SC500™ Industrial Adphibian™ SC750™ & SC800™ SC750™ REV™ Large Walk-Behind SC900™ Rider SC1500™ Commercial Stand-Up Scrubber SC1500™ Industrial Stand-Up Scrubber SC2000™ Compact Rider Scrubber SC3000™ Compact.

NILFISKADVANCE SC351 USER MANUAL Pdf Download ManualsLib. View and Download Nilfisk-Advance Sc351 user manual online SC351™ Commercial SC351™ Industrial SC400™ SC450™ Adfinity™ Mid-Size Walk-Behind SC500™ Commercial SC500™ Industrial Adphibian™ SC750™ & SC800™ SC750™ REV™ Large Walk-Behind SC900™ Rider SC1500™ Commercial Stand-Up Scrubber SC1500™ Industrial Stand-Up Scrubber SC2000™ Compact Rider Scrubber SC3000™ Compact.

Spare parts Partlist 351 351, from 201507 STARTER sGarden.cz. Scrubber Nilfisk-Advance Advance SC351 Li-ion Instructions For Use Manual (88 pages) 03/2013 9099868000 - sc351 3 general view kit item ref